logo banner
5. feb 2008 21:38  

Skal org. højtalere tilsluttes forstærker?

Hej. Ja skal til og sætte anlæg i dytten i morgen, og har lige et enkelt spørgsmål. Kan man ikke tilslutte en forstærker og så bare sætte de 2 højtalere i hattehylden til forstærkeren og så bare køre de org. højtalere via det org. anlæg.

Kunne ikke lige finde etsvar på det i forummet.

Mvh Peter
"The Lord is my light and my salvation, who am I to fear"


6. feb 2008 06:37  

1

Hey,

Jo det kan du sagtens.

Min personlige holdning er dog at lyden skal komme forfra og ikke fra et par 6x9" i hattehylden som sjældent kan spille tilnærmelsesvis godt, de kan altså spille højt, men ikke godt (min holdning). Derfor vil jeg til hver en tid, skifte de org. højtalere og så lade forstærkeren trække dem.

Det vil du opleve at du får meget mere lyd ud af (igen min holdning)

Med venlig hilsen / Best regards
Thomas Andersen
Forum billede
___________________________________________________
Projekt CarPC 15% DONE
6. feb 2008 09:52  

2

Oki men hvis jeg nu bare vælger de bagerste i hattehylden til forstærkeren, kan jeg så bare lade de org. kabler være i den org. radio og samtidig sætte den nye hi/low stik i til phono eller skal der fuskes så bag i radioen ?
"The Lord is my light and my salvation, who am I to fear"


6. feb 2008 10:20  

3

Du kan godt undgå at skulle om bag radioen og lave noget, men så skal der "stjæles" et højtalersignal fra baghøjtalerne. Dette vil jeg dog ikke anbefale da det input du så giver til forstærkeren vil være (meget) ringe da de originale kabler ikke er højtaler kabler, men blot standard bilinstallationskabel.

Jeg vil anbefale at sætte hi/low converter bag radioen og så føre et kvalitets RCA/phono kabel om til din forstærker og derfra noget højtalerkabel videre til de højtalere du sætter i hatthylden.

Dette vil give et meget renere signal til forstærkeren = lig bedre lyd - da et kvalitets RCA/phono kabel er skærmet og i mange tilfælde også twisted for at undgå at der kommer støj.

Med venlig hilsen / Best regards
Thomas Andersen
Forum billede
___________________________________________________
Projekt CarPC 15% DONE
6. feb 2008 10:23  

4

oki men hvor tilslutter jeg så strømmen til forstærkeren, plejer der ikke side en meget lille kabel på phono kablerne ?
"The Lord is my light and my salvation, who am I to fear"


6. feb 2008 10:49  

5

Gelardi skrev:
oki men hvor tilslutter jeg så strømmen til forstærkeren, plejer der ikke side en meget lille kabel på phono kablerne ?


Strømmen skal trækkes seperat direkte fra batteriet i motorrummet (husk sikring så tæt på batteriet som muligt)

Minus(stel) tages direkte fra karosseriet der er stelpunkt inde bag beklædningen i venstre side af bagagerummet.

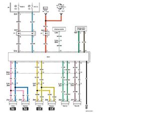
Den lille ledning som typisk sidder på RCA/phono kablet er "remote" den der gør at forstærkeren kun er tændt når den skal bruges. denne skal trækkes fra radioen eller et andet sted hvor der kun er spænding når der er tænding på bilen. bagpå radioen er det den "blå/hvide"

se evt. diagrammet her.

Uploadet fil


Med venlig hilsen / Best regards
Thomas Andersen
Forum billede
___________________________________________________
Projekt CarPC 15% DONE
10. feb 2008 17:21  

6

hejsa lige et hurtigt spørgsmål til før jeg går i gang, de fire kabler der sidder på hi/low stikket, hvordan skal de tilsluttes på radioen og på hvilke ledninger... ???
Kan fandme ikke finde ud af det...
"The Lord is my light and my salvation, who am I to fear"


10. feb 2008 17:53  

7

thansen.dk/product.asp?c=648983914&n=1200267213&pn=1742872132

Nogle der kan sige mig hvordan den skal kobles på den org. radio helt nøjagtigt ???

Er helt lost!!!
"The Lord is my light and my salvation, who am I to fear"


10. feb 2008 18:06  

8

de røde og brune ledninger på converteren skal kobles på 2 af dine højtalerudgange på radioen jeg foretrækker fronten og det er så pink/blå og gul-rød/gul...
Med venlig hilsen / Best regards
Thomas Andersen
Forum billede
___________________________________________________
Projekt CarPC 15% DONE
10. feb 2008 18:16  

9

oki er det så en brun og rød til hver udgang eller er det brun/brun og rød/rød til hver udgang ??? Og skal de sættes direkte på udgangen eller fuskes sammen med ledningerne der kommer fra fronten ???

I kan sikkert høre at jeg aldrig har prøvet det før smilie
"The Lord is my light and my salvation, who am I to fear"


10. feb 2008 18:37  

10

Har tænkt mig til at det skal være rød/rød til højre og brun/brun til venstre udgange, men det var bare om de skal tilsluttes direkte på anlægget eller sættes (fuskes) sammen med ledningerne til fronthøjtalerene inden de går ind i anlægget ???
"The Lord is my light and my salvation, who am I to fear"


10. feb 2008 18:55  

11

Gelardi skrev:
Har tænkt mig til at det skal være rød/rød til højre og brun/brun til venstre udgange, men det var bare om de skal tilsluttes direkte på anlægget eller sættes (fuskes) sammen med ledningerne til fronthøjtalerene inden de går ind i anlægget ???


det kommer an på om du skal have dine org. over forstærkeren eller om de fortsat skal være trukket af radioen.

Skal de over forstærker skal der ikke "fuskes" skal de over radio så skal de "fuskes" sammen...
Med venlig hilsen / Best regards
Thomas Andersen
Forum billede
___________________________________________________
Projekt CarPC 15% DONE
10. feb 2008 19:22  

12

oki det vil sige at hvis jeg skal have de org. over forstærkeren så kan jeg sætte stikkene direkte ind i anlægget (passer stikkene virkelig perfekt ind i anlægget?) og så føre ledning fra højtalerne helt over til forstærkeren ?

Og hvis jeg ikke vil have dem over forstærkeren så fusker jeg hi/low stikket sammen med ledninger der går ind i anlægget ?
"The Lord is my light and my salvation, who am I to fear"


11. feb 2008 06:31  

13

Gelardi skrev:
oki det vil sige at hvis jeg skal have de org. over forstærkeren så kan jeg sætte stikkene direkte ind i anlægget (passer stikkene virkelig perfekt ind i anlægget?) og så føre ledning fra højtalerne helt over til forstærkeren ?

Og hvis jeg ikke vil have dem over forstærkeren så fusker jeg hi/low stikket sammen med ledninger der går ind i anlægget ?


Nej, stikket passer ikke direkte på, faktisk slet ikke, du er nødt til at klippe i ledningen på multistikket på radioen, men ellers er det korrekt forstået.
Med venlig hilsen / Best regards
Thomas Andersen
Forum billede
___________________________________________________
Projekt CarPC 15% DONE
11. feb 2008 18:34  

14

1000 tak for hjælpen, det spiller max... smilie
"The Lord is my light and my salvation, who am I to fear"


11. feb 2008 21:37  

15

Gelardi skrev:
1000 tak for hjælpen, det spiller max... smilie


Det var så lidt, bare glad for at kunne hjælpe smilie
Med venlig hilsen / Best regards
Thomas Andersen
Forum billede
___________________________________________________
Projekt CarPC 15% DONE
Log ind
Opret bruger
Seneste billeder Android bilradio Android bilradio Android bilradio Android bilradio Android bilradio