astina.dk skrev:
Så er første sending på vej til lille DK, torsdag eller fredag får vi første sending, som vi håber at få pakket om i løbet af weekenden til levering i starten af næste uge, og så kommer der endnu en sending til dem der har bestilt senere sidst i næste uge.
astina.dk skrev:
Nogle der allerede er begyndt at vente på postmand per????
Krokmas skrev:
Jep! De skulle komme idag jubii....
Er der nogen der ved om det kun er lygterne der skal tages ud, eller skal man have hele fronten af når de skal udskiftes
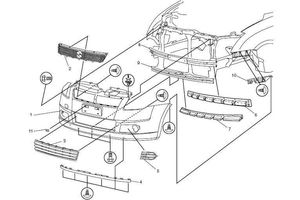
HypeTaxx skrev:Krokmas skrev:
Jep! De skulle komme idag jubii....
Er der nogen der ved om det kun er lygterne der skal tages ud, eller skal man have hele fronten af når de skal udskiftes
Jeg er næsten 1000% (ja 1000) sikker på at forkofangeren skal af for at skifte lygterne...
kc1984 skrev:
behøver vel ikke at fjerne alle dele fra fronten kan vel bare nøjes med af tage den af elller hva